Creative Oz Air’s PSA Oxygen Generator is designed to deliver a steady and pure oxygen supply directly to your site. By using advanced Pressure Swing Adsorption technology (PSA Technology), the Oxygen PSA Generator separates oxygen from the compressed air to produce high-purity oxygen. This Oxygen Generator provides seamless operations and ensures a safe and constant supply of oxygen, as much as required.
enquiry
now
The Oxygen PSA Generator uses a technology called Pressure Swing Adsorption. This system separates nitrogen, moisture, oil, and other dust particles from the air. As a result, it provides pure medical-grade oxygen for medical, residential, and industrial use. In our atmosphere, there is a mixture of gases. There is approx 78% nitrogen(N2) and 21% oxygen(O2) in the atmosphere. The remaining gases are Carbon Dioxide(CO2), Argon(Ar), Helium(He), Methane(CH4), Krypton(Kr), and Hydrogen(H2). It works in like same way as a PSA Nitrogen Generator and has the same type of design and components.
PSA Oxygen Gas Generators are built for continuous operation, ensuring your medical, industrial, or laboratory processes never face oxygen shortages. With Creative Oz Air, one of the leading PSA Oxygen Generator Manufacturers, you can generate oxygen on-site. Reduce dependency on oxygen cylinders or liquid oxygen bulk deliveries and get long-term solutions.
Working on PSA technology, these oxygen generators provide a reliable and continuous supply of pure oxygen. This oxygen PSA generator removes nitrogen from the compressed air and provides oxygen in the output. Also makes sure the purity of the oxygen. For separating nitrogen and oxygen, it uses zeolite, a special absorbent material. Let's separate this working method into 3 divisions:
The medical oxygen system is a PSA oxygen plant that specially makes sure that the generated oxygen has medical-grade purity. Using pressure swing adsorption technology, these systems are specially designed for hospitals and medical applications. On-site medical-grade oxygen generation allows hospitals to avoid emergencies.
Creative Oz Air's PSA Oxygen Plants are most suitable for medical applications. They ensure a continuous and uninterrupted oxygen supply 24/7. So that hospitals never face a shortage of oxygen, which is crucial for saving patients' lives.
Work: Reliable supply of pure oxygen
Reliable Life Support: Oxygen plays a key role during surgery or emergencies in hospitals. It's important for patient care. The Oxygen PSA Generator provides a reliable and constant on-site oxygen supply. This PSA generator eliminates hospitals' dependence on oxygen cylinders and liquid oxygen delivery.
Work: Purifying and treating wastewater
Using water in daily applications is a basic need. In order to reduce water shortage, it's important to purify, disinfect or treat the wastewater properly. That's where oxygen helps. In water treatment plants, oxygen is used to improve the efficiency of biological treatment. Oxygen Generators supply pure oxygen that helps bacteria break down the harmful substances in wastewater. It is a faster, cleaner and eco-friendly wastewater treatment that makes water odour-free.
Work: Ozone production for air and water purification
Ozone is a highly reactive gas that is made by three atoms of Oxygen. Without oxygen, ozone can't be produced. Oxygen plants produce high-purity oxygen and increase the efficiency of ozone generation. Ozone is used for water purification, air purification, air disinfection, odour control and wastewater treatment.
Work: Cutting, welding, and brazing
Working in the metal industry, cutting and welding metal requires high temperatures. Oxygen is used here to increase flames, which helps metal industries to maintain high efficiency and production. A PSA Generator Oxygen provides a reliable on-site connection of oxygen that saves these industries from downtime.
Work: Reducing combustion efficiency in furnaces
Glass manufacturing requires high heat. Oxygen helps furnaces burn more efficiently, which reduces fuel use and improves the quality of the glass. This is an indirect saving on fuel costs. The process becomes cleaner and more energy-efficient.
Work: Purifying & Oxygenating water in fish and shrimp tanks
Using Ozone for aquafarming is one of the modern solutions for water purification. Fish farms and shrimp farms need pure oxygen for healthy growth. Oxygen is the organic solution for this industry. Oxygen purifies water and easily dissolves in the water. It improves water quality, which maintains fish health. An oxygen generator provides a reliable and constant oxygen supply directly to the fish tanks and ensures better yield and reduced fish mortality.
Work: Supporting oxidation in nuclear power plants
Oxygen is used for oxidation & combustion processes in the nuclear and chemical industries. The Oxygen PSA Generator provides a high-purity oxygen supply to ensure that these reactions are more efficient and controlled, leading to improved product quality.
PSA Oxygen Generators are essential wherever pure, continuous, and cost-effective oxygen supply is needed. From saving lives in hospitals to improving industrial production efficiency.
Creative OZ Air offers special benefits for PSA Generator Oxygen. As a PSA Oxygen Generator Manufacturer and a leading Ozone Generator Manufacturer, our priority is to provide full customer support & satisfaction. When you use Creative Oz Air’s Oxygen PSA Generators, you get to experience various advantages, including:
Choosing a PSA Oxygen Generator over traditional oxygen cylinders or liquid deliveries ensures uninterrupted supply, lower operational costs, and complete independence from refilling hassles - making it a smarter, long-term oxygen solution.
| Items | PSA Oxygen Generator | Oxygen Cylinders |
|---|---|---|
| Cost | Low Running Costs (1-1.5 kWh) | Increasing delivery and rental costs over time |
| Transfer & Handling | Not Required, works on-site | regular shifting and replacement |
| Purity | Uniform and steady high oxygen purity (up to 93±3% with 99% achievable) | Varies from cylinder to cylinder |
| Efficiency | Continuous and Unlimited Gas Supply | Gas supply interruptions at inconvenient times |
| Dependency | No dependency on external suppliers | Fully dependent on supplier deliveries |
| Comfort | Low maintenance | Frequent Replacements |
The Creative OZ AIR’s PSA Oxygen Generator would be the perfect solution for companies and medical facilities looking for a reliable, cost-effective, and continuous source of oxygen. This is an advanced-technology device that saves energy when used continuously. This generator makes sure no need to depend on any third-party supplier. Oxygen generators are energy-friendly, cost-effective, and environmentally friendly that providing a long-term solution.


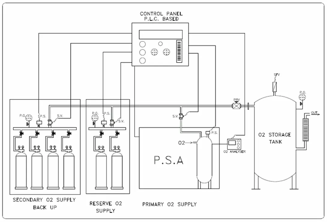
A PSA Oxygen Generator is a device used to produce oxygen gas from ambient air through the process of Pressure Swing Adsorption (PSA). It selectively adsorbs nitrogen from compressed air, leaving behind a higher concentration of oxygen.
The generator operates by adsorbing nitrogen molecules from compressed air using a material with a high affinity for nitrogen, such as zeolite or carbon molecular sieve. The nitrogen is then desorbed when the pressure is reduced, leaving behind oxygen-enriched gas.
The main components include adsorption vessels filled with adsorbent material, compressor, pressure swing valves, flow control valves, oxygen storage tanks, and control systems.
PSA Oxygen Generators can typically produce oxygen with purity levels ranging from 93% to 99.9%, depending on the specific requirements of the application.
Advantages include on-site production, cost-effectiveness, continuous operation, high reliability, ease of installation, and the elimination of the need for oxygen cylinders or liquid oxygen deliveries.
They are used in various applications, including medical facilities (hospitals, clinics), water treatment plants, aquaculture, ozone generation, glass blowing, metal cutting, and other industrial processes.
Regular maintenance, including filter replacement, monitoring of pressure and purity levels, and periodic inspections, is essential to ensure optimal performance and longevity of the system.
Yes, manufacturers often offer customization options to tailor the generator's capacity, purity levels, and other specifications to meet the specific needs of the customer's application.
While the operation of a PSA Oxygen Generator is relatively straightforward, operators may benefit from training provided by the manufacturer or distributor to ensure safe and efficient operation.
Yes, they are considered environmentally friendly because they produce oxygen on-site without the need for transportation or storage of oxygen cylinders, reducing carbon emissions associated with transportation. Additionally, they do not consume any chemicals in the oxygen generation process.